Edelstahl Glieder-Absaugarm
Dieser Absaugarm ist als selbsttragender Absaugarm mit außen liegenden Gelenken konzipiert.
Folgende Merkmale sind für unseren Absaugarme kennzeichnend:
Durch die Mehrgliedrigkeit sehr beweglich (9 Achsen)
außen liegende Befestigungsteile (dadurch wird der Luftstrom nicht behindert, optimale Reinigungsmöglichkeit)
dadurch auch geringere Verschmutzung
leichtgängige Positionierung durch wartungsfreie Gasfedern.
selbsttragender Absaugarm.
wartungsfrei.
sehr großer Erfassungsbereich aufgrund durchdachter Gelenkkonstruktion
kostengünstig.
Zum Öffnen der Animation bitte darauf klicken
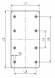
Alle Maße in mm
Art.Nr. | Nennweite | L1 | L2 | L3 | L4 | L5 | L6 | L7 | L8 |
GLA xxx/4500 | 4500 | 102 | 930 | 310 | 930 | 310 | 995 | 780 | 155 |
GLA xxx/5400 | 5400 | 102 | 930 | 310 | 930 | 310 | 995 | 1630 | 155 |
L1 | L2 | L3 | L4 | L5 | D1 |
200 | 400 | 150 | 120 | 320 | 13 |



